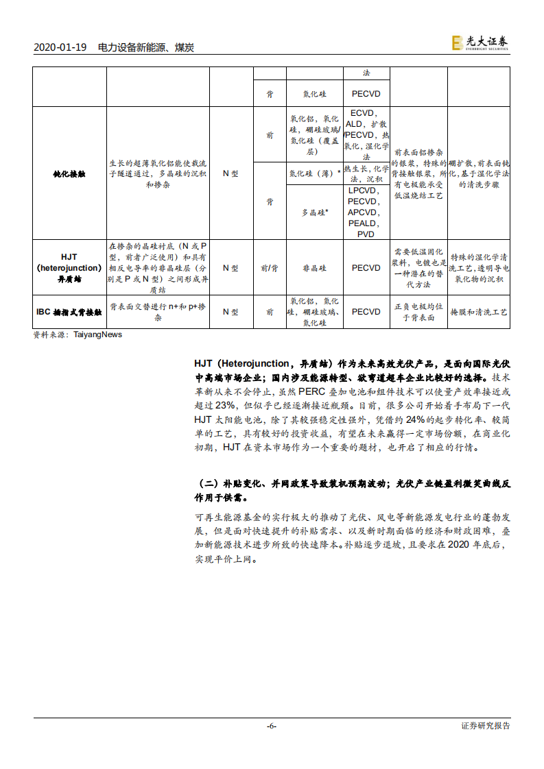
文库 环保/能源 光伏

光伏行业系列专题报告一:异质结,下一轮技术迭代周期正在开启-200119.pdf

45页     2022-07-22   30   收藏0   喜欢0   评分-   10积分
温馨提示:当前文档最多只能预览 10 页,若文档总页数超出了 10 页,请下载原文档以浏览全部内容。
光伏行业系列专题报告一:异质结,下一轮技术迭代周期正在开启-200119.pdf 第1页
光伏行业系列专题报告一:异质结,下一轮技术迭代周期正在开启-200119.pdf 第2页
光伏行业系列专题报告一:异质结,下一轮技术迭代周期正在开启-200119.pdf 第3页
光伏行业系列专题报告一:异质结,下一轮技术迭代周期正在开启-200119.pdf 第4页
光伏行业系列专题报告一:异质结,下一轮技术迭代周期正在开启-200119.pdf 第5页
光伏行业系列专题报告一:异质结,下一轮技术迭代周期正在开启-200119.pdf 第6页
剩余35页未读, 下载浏览全部
文档描述
光伏行业系列专题报告一:异质结,下一轮技术迭代周期正在开启-200119[45页].pdf
下载提示

星展文库所有资源均由用户上传分享,仅供网友学习交流,未经上传用户书面授权,请勿作商用。
1、本文档下载后文档不带水印,支持完整阅读内容或进行编辑。
2、当您下载文档后,并不意味着拥有了版权,文档仅供网友学习交流,不得用于其他商业用途。
3、本站所有内容均由合作方或网友上传,本站不对文档的完整性、权威性及其观点立场正确性做任何保证或承诺!
4、本本所有内容不构成任何投资建议,不具有任何指导和买卖意见。
5、如文档内容存在违规,或者侵犯商业秘密、侵犯著作权等,请立即与我们联系。

这个人很懒,什么都没留下
未认证用户 查看用户
该文档于 上传